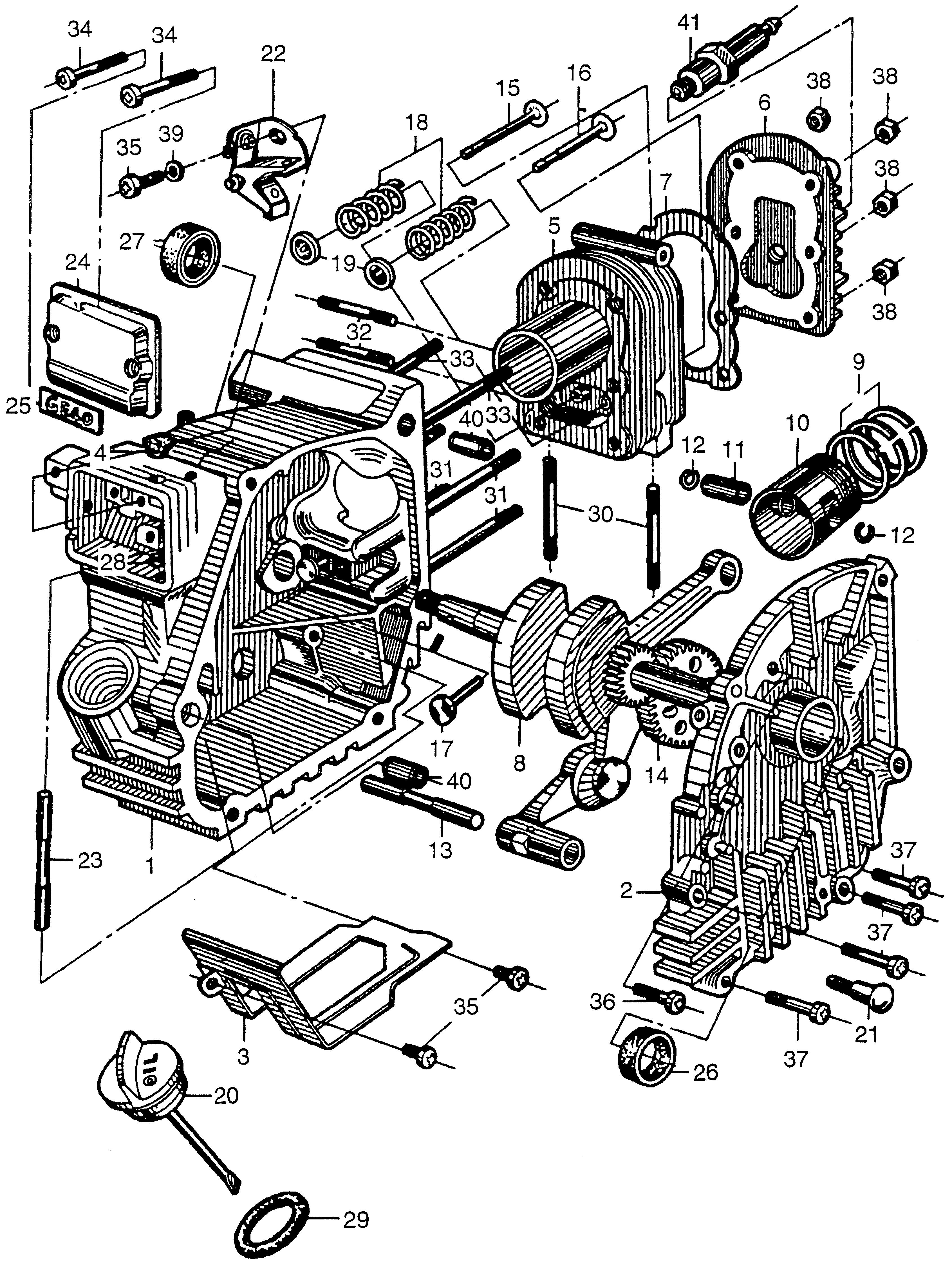
Generators E E40 E40 A GE40-10001-9999999 CYLINDER@PISTON@RINGS - Cycle City, Inc.

Ref No
Part Number
Description
Serial Range
Qty
Price

Ref No
1
Part Number
11100-800-010
Description
CRANKCASE (NOT AVAILABLE)
Serial Range
1000001 - 9999999

Ref No
2
Part Number
11201-800-020
Description
COVER, CRANKCASE
Serial Range
1000001 - 9999999

Ref No
3
Part Number
11751-800-000
Description
SEPARATOR, OIL
Serial Range
1000001 - 9999999

Ref No
4
Part Number
11921-800-010
Description
CAP, SEALED
Serial Range
1000001 - 9999999

Ref No
5
Part Number
12101-800-030
Description
CYLINDER (NOT AVAILABLE)
Serial Range
1000001 - 9999999

Ref No
6
Part Number
12201-800-010
Description
CYLINDER HEAD (NOT AVAILABLE)
Serial Range
1000001 - 9999999

Ref No
7
Part Number
12251-800-000
Description
GASKET, CYLINDER HEAD (NOT AVAILABLE)
Serial Range
1000001 - 9999999

Ref No
8
Part Number
13000-800-000
Description
CRANKSHAFT ASSY. (NOT AVAILABLE)
Serial Range
1000001 - 9999999

Ref No
9
Part Number
13011-800-303
Description
RING SET, PISTON (NOT AVAILABLE)
Serial Range
1000001 - 9999999

Ref No
10
Part Number
13102-800-313
Description
PISTON (STD) (NOT AVAILABLE)
Serial Range
1000001 - 9999999

Ref No
10
Part Number
13103-800-313
Description
PISTON (OVER SIZE) (0.50) (NOT AVAILABLE)
Serial Range
1000001 - 9999999

Ref No
10
Part Number
13104-800-313
Description
PISTON (OVER SIZE) (0.75) (NOT AVAILABLE)
Serial Range
1000001 - 9999999

Ref No
10
Part Number
13105-800-313
Description
PISTON (1.00) (NOT AVAILABLE)
Serial Range
1000001 - 9999999

Ref No
11
Part Number
13111-800-000
Description
PIN, PISTON (NOT AVAILABLE)
Serial Range
1000001 - 9999999

Ref No
12
Part Number
13115-800-000
Description
CLIP, PISTON PIN (NOT AVAILABLE)
Serial Range
1000001 - 9999999

Ref No
13
Part Number
13364-800-000
Description
SHAFT, BALANCER WEIGHT
Serial Range
1000001 - 9999999

Ref No
14
Part Number
14101-800-000
Description
CAMSHAFT (NOT AVAILABLE)
Serial Range
1000001 - 9999999

Ref No
15
Part Number
14711-800-000
Description
VALVE, IN. (NOT AVAILABLE)
Serial Range
1000001 - 9999999

Ref No
16
Part Number
14721-800-000
Description
VALVE, EX. (NOT AVAILABLE)
Serial Range
1000001 - 9999999

Ref No
17
Part Number
14731-800-010
Description
LIFTER, VALVE (NOT AVAILABLE)
Serial Range
1000001 - 9999999

Ref No
18
Part Number
14751-800-000
Description
SPRING, VALVE (NOT AVAILABLE)
Serial Range
1000001 - 9999999

Ref No
19
Part Number
14771-800-000
Description
RETAINER, VALVE SPRING (NOT AVAILABLE)
Serial Range
1000001 - 9999999

Ref No
20
Part Number
15620-800-000
Description
CAP, OIL FILLER (NOT AVAILABLE)
Serial Range
1000001 - 9999999

Ref No
21
Part Number
28457-800-000
Description
HOOK, STARTER SPRING (NOT AVAILABLE)
Serial Range
1000001 - 9999999

Ref No
22
Part Number
30200-814-000
Description
POINTS (NOT AVAILABLE)
Serial Range
1000001 - 9999999

Ref No
23
Part Number
30231-800-010
Description
ROD, POINT PUSH (NOT AVAILABLE)
Serial Range
1000001 - 9999999

Ref No
24
Part Number
30371-801-000
Description
COVER, POINT (NOT AVAILABLE)
Serial Range
1000001 - 9999999

Ref No
25
Part Number
87542-801-600
Description
MARK, POINTS COVER (NOT AVAILABLE)
Serial Range
1000001 - 9999999

Ref No
26
Part Number
91201-800-000
Description
OIL SEAL (NOT AVAILABLE)
Serial Range
1000001 - 9999999

Ref No
27
Part Number
91202-800-000
Description
OIL SEAL (NOT AVAILABLE)
Serial Range
1000001 - 9999999

Ref No
28
Part Number
91203-800-000
Description
OIL SEAL (52X10X3) (NOT AVAILABLE)
Serial Range
1000001 - 9999999

Ref No
29
Part Number
91303-800-000
Description
O-RING (16MM)
Serial Range
1000001 - 9999999

Ref No
29
Part Number
91304-MJ0-003
Description
O-RING (15.8X2.4) (SHOWA)
Serial Range
1000001 - 9999999

Ref No
30
Part Number
92700-05048-10
Description
BOLT, STUD (5X48) (NOT AVAILABLE)
Serial Range
1000001 - 9999999

Ref No
31
Part Number
92700-05058
Description
BOLT, STUD (5X58) (NOT AVAILABLE)
Serial Range
1000001 - 9999999

Ref No
32
Part Number
92710-05024-10
Description
BOLT, STUD (5X24) (NOT AVAILABLE)
Serial Range
1000001 - 9999999

Ref No
33
Part Number
92715-05063
Description
BOLT, STUD (5X63)
Serial Range
1000001 - 9999999

Ref No
34
Part Number
93500-04028-0A
Description
SCREW, PAN (4X28) (NOT AVAILABLE)
Serial Range
1000001 - 9999999

Ref No
35
Part Number
93500-05010-0A
Description
SCREW, PAN (5X10)
Serial Range
1000001 - 9999999
Qty
Price
$1.10

Ref No
36
Part Number
93500-05025-0A
Description
SCREW, PAN (5X25)
Serial Range
1000001 - 9999999
Qty
Price
$1.14

Ref No
37
Part Number
93500-05032-0A
Description
SCREW, PAN (5X32)
Serial Range
1000001 - 9999999
Qty
Price
$1.34

Ref No
38
Part Number
94001-05000-0S
Description
NUT, HEX. (5MM)
Serial Range
1000001 - 9999999
Qty
Price
$3.34

Ref No
39
Part Number
94101-05000
Description
WASHER, PLAIN (5MM)
Serial Range
1000001 - 9999999
Qty
Price
$1.20

Ref No
40
Part Number
94301-08120
Description
PIN A, DOWEL (8X12)
Serial Range
1000001 - 9999999
Qty
Price
$2.80

Ref No
41
Part Number
98052-54740
Description
SPARK PLUG (CR40/C50)
Serial Range
1000001 - 9999999

Ref No
41
Part Number
NGK-C50
Description
SPARK PLUG (CR40/C50)
Serial Range
1000001 - 9999999